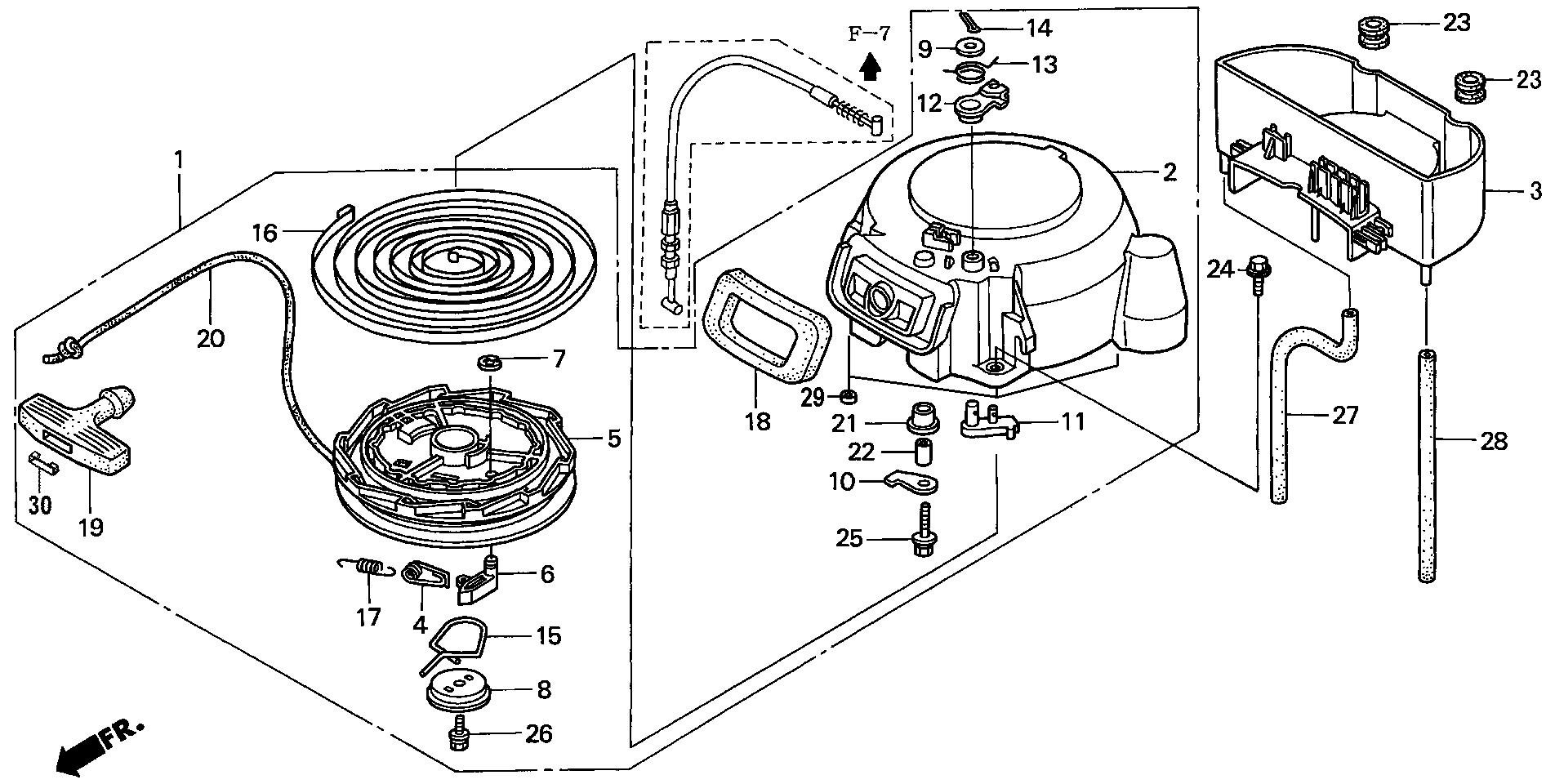
Portable Outboard Engines (2 - 20 hp) BF BF9 BF9.9D1 SA BABJ-1000001-1099999 RECOIL STARTER - Pinnacle Marine Service

Ref No
Part Number
Description
Serial Range
Qty
Price

Ref No
1
Part Number
28400-ZW9-003
Description
STARTER ASSY., RECOIL
Serial Range
1000001 - 9999999

Ref No
1
Part Number
28400-ZW9-043
Description
STARTER ASSY., RECOIL
Serial Range
1000001 - 9999999
Qty
Price
$88.63

Ref No
2
Part Number
28401-ZW9-003
Description
CASE, RECOIL STARTER (NOT AVAILABLE)
Serial Range
1000001 - 9999999

Ref No
3
Part Number
28414-ZW9-000
Description
CASE B, STARTER
Serial Range
1000001 - 9999999
Qty
Price
$31.00

Ref No
4
Part Number
28418-ZW9-003
Description
GUIDE, RECOIL STARTER
Serial Range
1000001 - 9999999
Qty
Price
$4.20

Ref No
5
Part Number
28421-ZW9-003
Description
REEL, RECOIL STARTER
Serial Range
1000001 - 9999999
Qty
Price
$46.52

Ref No
6
Part Number
04284-ZY1-000
Description
RATCHET SET, STARTER
Serial Range
1000001 - 9999999
Qty
Price
$5.59

Ref No
6
Part Number
04284-ZY1-000
Description
RATCHET SET, STARTER
Serial Range
1000001 - 9999999
Qty
Price
$5.59

Ref No
6
Part Number
28422-ZW9-003
Description
RATCHET, STARTER
Serial Range
1000001 - 9999999

Ref No
7
Part Number
04284-ZY1-000
Description
RATCHET SET, STARTER
Serial Range
1000001 - 9999999
Qty
Price
$5.59

Ref No
7
Part Number
04284-ZY1-000
Description
RATCHET SET, STARTER
Serial Range
1000001 - 9999999
Qty
Price
$5.59

Ref No
7
Part Number
28428-ZW9-003
Description
E-RING
Serial Range
1000001 - 9999999

Ref No
8
Part Number
28431-ZW9-003
Description
PLATE, FRICTION
Serial Range
1000001 - 9999999
Qty
Price
$5.92

Ref No
9
Part Number
28432-ZV4-003
Description
WASHER
Serial Range
1000001 - 9999999
Qty
Price
$4.20

Ref No
10
Part Number
28433-ZV7-003
Description
WASHER, THRUST
Serial Range
1000001 - 9999999
Qty
Price
$5.92

Ref No
11
Part Number
28435-ZV4-003
Description
STOPPER, REEL
Serial Range
1000001 - 9999999
Qty
Price
$6.88

Ref No
12
Part Number
28436-ZV4-003
Description
ARM, STOPPER
Serial Range
1000001 - 9999999
Qty
Price
$4.56

Ref No
13
Part Number
28437-ZV4-003
Description
SPRING, STOPPER
Serial Range
1000001 - 9999999
Qty
Price
$3.06

Ref No
14
Part Number
28438-ZV4-003
Description
PIN, SPLIT
Serial Range
1000001 - 9999999
Qty
Price
$3.00

Ref No
15
Part Number
28441-ZW9-003
Description
SPRING, FRICTION
Serial Range
1000001 - 9999999
Qty
Price
$5.90

Ref No
16
Part Number
28442-ZW9-003
Description
SPRING, RECOIL STARTER
Serial Range
1000001 - 9999999
Qty
Price
$33.22

Ref No
17
Part Number
28443-ZW9-003
Description
SPRING, RETURN
Serial Range
1000001 - 9999999
Qty
Price
$3.32

Ref No
18
Part Number
28455-ZW9-000
Description
SEAL, RECOIL
Serial Range
1000001 - 9999999
Qty
Price
$20.76

Ref No
19
Part Number
28461-ZV4-013
Description
GRIP, STARTER
Serial Range
1000001 - 9999999
Qty
Price
$11.14

Ref No
20
Part Number
28462-ZV4-003
Description
ROPE, RECOIL STARTER (N/A: USE P/N 08550-ZG921-11)
Serial Range
1000001 - 9999999

Ref No
21
Part Number
28471-ZV7-003
Description
ROLLER, STARTER
Serial Range
1000001 - 9999999
Qty
Price
$15.68

Ref No
22
Part Number
28476-ZV7-003
Description
GUIDE, ROLLER
Serial Range
1000001 - 9999999
Qty
Price
$5.86

Ref No
23
Part Number
80103-GJ5-000
Description
GROMMET, ENGINE COVER
Serial Range
1000001 - 9999999
Qty
Price
$2.64

Ref No
24
Part Number
90003-ZW9-000
Description
BOLT, FLANGE (6X22)
Serial Range
1000001 - 9999999

Ref No
24
Part Number
90003-ZY9-M01
Description
BOLT, FLANGE (6X22)
Serial Range
1000001 - 9999999
Qty
Price
$2.56

Ref No
25
Part Number
90021-ZV4-003
Description
BOLT, HEX. (6X25)
Serial Range
1000001 - 9999999
Qty
Price
$3.22

Ref No
26
Part Number
90022-ZV4-003
Description
BOLT, HEX. (6X14)
Serial Range
1000001 - 9999999
Qty
Price
$2.60

Ref No
27
Part Number
91403-ZW9-000
Description
TUBE, WATER DRAIN
Serial Range
1000001 - 9999999
Qty
Price
$10.46

Ref No
28
Part Number
95005-80001-30M
Description
BULK HOSE, VACUUM (8X1000) (8X240)
Serial Range
1000001 - 9999999
Qty
Price
$17.76

Ref No
29
Part Number
91505-ZW9-003
Description
COLLAR (6.5X11X10)
Serial Range
1000001 - 9999999
Qty
Price
$2.90